English
Español
Português
русский
Français
日本語
Deutsch
tiếng Việt
Italiano
Nederlands
ภาษาไทย
Polski
한국어
Svenska
magyar
Malay
বাংলা ভাষার
Dansk
Suomi
हिन्दी
Pilipino
Türkçe
Gaeilge
العربية
Indonesia
Norsk
تمل
český
ελληνικά
український
Javanese
فارسی
தமிழ்
తెలుగు
नेपाली
Burmese
български
ລາວ
Latine
Қазақша
Euskal
Azərbaycan
Slovenský jazyk
Македонски
Lietuvos
Eesti Keel
Română
Slovenski
मराठी
Srpski језик
คุณสมบัติของผลิตภัณฑ์
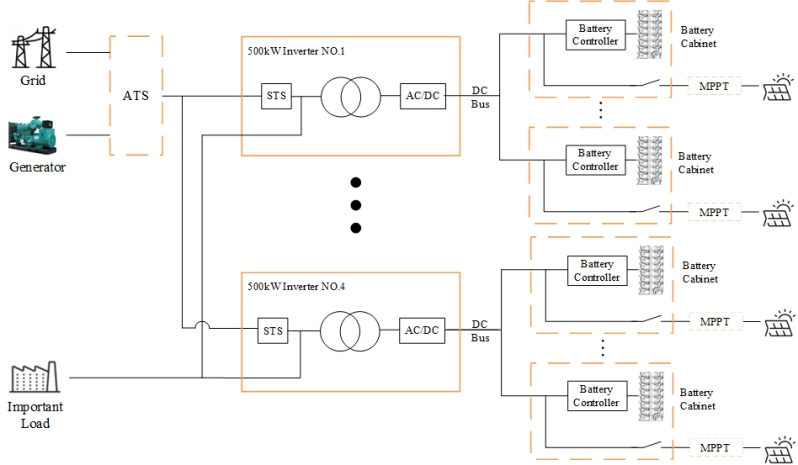
1.โหลดเกิน 500 kW ขอแนะนำให้ใช้อินเวอร์เตอร์จัดเก็บพลังงานหน่วยเดียวความจุสูง 500 kW ซึ่งสามารถรองรับการเชื่อมต่อแบบขนานได้สูงสุดสี่ชุด ทำให้ได้กำลังไฟฟ้ารวม 2 MW;
2.เมื่อใช้งานระบบ 500 kW หลายระบบแบบขนานและกระจาย STSa ให้กับอินเวอร์เตอร์ขนาด 500 kW ที่แตกต่างกัน จำเป็นอย่างยิ่งที่จะต้องแน่ใจว่าความยาวสายเคเบิลจากจุดผูกกริดไปยังจุดผูกโหลดมีความสอดคล้องกัน
3.ESS แบบไฮบริดใช้การบูรณาการเซลล์แสงอาทิตย์แบบ DC-ควบคู่ เพื่อให้ได้ประสิทธิภาพการแปลงพลังงานสูง และได้รับการปรับให้เหมาะสมสำหรับสถานการณ์นอกกริดที่มีกำลังการผลิต PV เกินความต้องการโหลด MPPT ที่ได้รับการจัดอันดับกลางแจ้ง
คอนโทรลเลอร์รวมฟังก์ชันการทำงานของ Combiner และ MPPT ไว้ในกล่องเดียวที่มีความแข็ง ระบบที่สมบูรณ์ประกอบด้วยตัวเลือก ATS เครื่องกำเนิดไฟฟ้าดีเซล อินเวอร์เตอร์ไฮบริด 300kW ตัวควบคุม PV MPPT และแบตเตอรี่
ระบบกักเก็บพลังงาน


ข้อมูลจำเพาะ
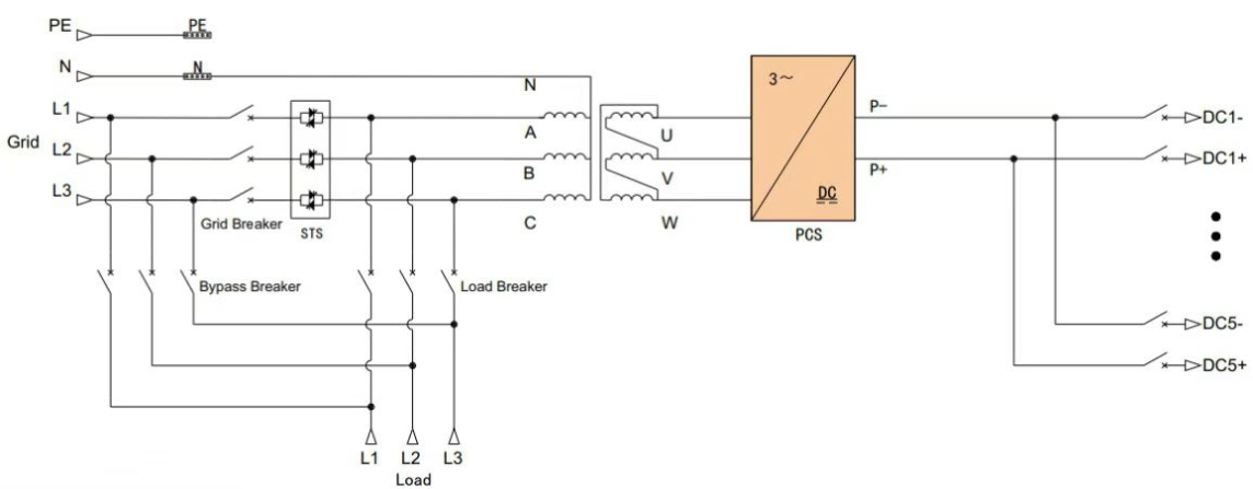
| โมเดล | P500TS-400-A | |
|
พารามิเตอร์ด้าน DC |
ช่วงแรงดันไฟฟ้า | 500-950V |
| กระแสสูงสุด | 1128A | |
| กำลังขับที่ได้รับการจัดอันดับ | 500กิโลวัตต์ | |
|
พารามิเตอร์ด้าน AC (เชื่อมต่อกับกริด) |
กำลังขับสูงสุด | 550กิโลวัตต์ |
| จัดอันดับกระแสไฟขาออก | 722A | |
| ทีดี | <3% | |
| ประเภทกริด | 3W+N+พีอี | |
| ช่วงแรงดันไฟฟ้า | 360VAC~440VAC | |
| ช่วงความถี่ | 45~55เฮิร์ต/55~65เฮิร์ต | |
| ตัวประกอบกำลัง | -1~1 | |
| กำลังขับที่ได้รับการจัดอันดับ | 500กิโลวัตต์ | |
|
พารามิเตอร์ด้าน AC (นอกกริด) |
จัดอันดับแรงดันไฟฟ้าขาออก | 400V |
| จัดอันดับความถี่เอาท์พุต | 50/60เฮิร์ต | |
| THDu | <1% โหลดเชิงเส้น <5% โหลดที่ไม่ใช่เชิงเส้น | |
| ความจุเกินพิกัด | 110%10 นาที | |
| สวิตช์บายพาสการบำรุงรักษา | 1250A | |
|
สวิตช์ Off-Grid และ การกำหนดค่าสวิตช์ |
สวิตช์กระแสตรง | 1250A |
| สวิตช์โหลด | 1250A | |
| สวิตช์กริด | 1250A | |
| หน่วยเอสทีเอส | 1155A/800kW | |
| เวลาเปลี่ยน | <20ms | |
|
พารามิเตอร์ของระบบ |
ประสิทธิภาพสูงสุด | 97.5% |
| อุณหภูมิในการทำงาน | -30~55℃(ลดเรตติ้งเหนือ 40℃) | |
| ความชื้นสัมพัทธ์ | 0 ถึง 95% RH ไม่มีการควบแน่น | |
| ขนาด (ยาว * ลึก * สูง) | 1600×1050×2050มม | |
| น้ำหนัก | 2700กก | |
| เกรดไอพี | IP21 IP21(เครื่องสมบูรณ์) | |
| เสียงรบกวน | <70dB | |
| หน้าจอแสดงผล | จอแอลซีดี | |
| การสื่อสารบีเอ็มเอส | สามารถ | |
| การสื่อสารแบบอีเอ็มเอส | ทีพีซี/ไอพี | |