English
Español
Português
русский
Français
日本語
Deutsch
tiếng Việt
Italiano
Nederlands
ภาษาไทย
Polski
한국어
Svenska
magyar
Malay
বাংলা ভাষার
Dansk
Suomi
हिन्दी
Pilipino
Türkçe
Gaeilge
العربية
Indonesia
Norsk
تمل
český
ελληνικά
український
Javanese
فارسی
தமிழ்
తెలుగు
नेपाली
Burmese
български
ລາວ
Latine
Қазақша
Euskal
Azərbaycan
Slovenský jazyk
Македонски
Lietuvos
Eesti Keel
Română
Slovenski
मराठी
Srpski језик |
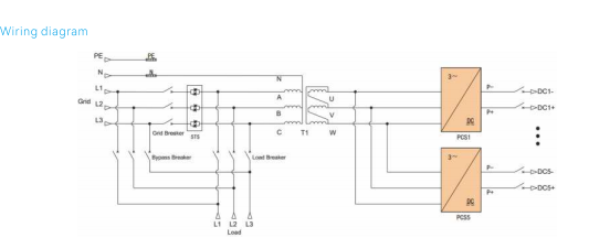
คุณสมบัติ ระบบใช้หน่วยอินเวอร์เตอร์แบบโมดูลาร์ในการกำหนดค่าแบบขนาน โดยที่ อินพุต DC ของโมดูลอินเวอร์เตอร์แต่ละตัวสอดคล้องกับตู้แบตเตอรี่เฉพาะ ช่วยให้สามารถจัดการต่อคลัสเตอร์เพื่อขจัดกระแสหมุนเวียนระหว่างกัน สายแบตเตอรี่ โมดูลพลังงาน AC/DC รองรับการใช้งานที่ยืดหยุ่นทั้งในด้านปริมาณและ อัตรากำลังไฟฟ้าที่มีความจุสูงสุด 60kW โมดูลในแบบขนาน 5 ยูนิต การกำหนดค่า เอาต์พุต AC จากโมดูลกำลังจะถูกส่งผ่านหม้อแปลง แยกเอาต์พุตสเตจจ่ายพลังงานให้กับโหลดที่มีความต้านทานสูง กระแสไฟช็อต ESS แบบไฮบริดใช้การบูรณาการเซลล์แสงอาทิตย์แบบ DC-ควบคู่ ซึ่งบรรลุผลสำเร็จในระดับสูง ประสิทธิภาพการแปลงพลังงานและปรับให้เหมาะสมสำหรับสถานการณ์นอกกริดด้วย PV กำลังการผลิตเกินความต้องการโหลด ตัวควบคุม MPPT ที่ได้รับการจัดอันดับภายนอกอาคาร รวมฟังก์ชัน Combiner และ MPPT ไว้ในกล่องเดียวที่มีความแข็ง ระบบที่สมบูรณ์ประกอบด้วยตัวเลือกเครื่องกำเนิดไฟฟ้าดีเซล ATS ซึ่งเป็นระบบไฮบริดขนาด 300 กิโลวัตต์ อินเวอร์เตอร์, ตัวควบคุม PV MPPT และระบบจัดเก็บพลังงานแบตเตอรี่
คุณสมบัติ ระบบใช้หน่วยอินเวอร์เตอร์แบบโมดูลาร์ในการกำหนดค่าแบบขนาน โดยที่ อินพุต DC ของโมดูลอินเวอร์เตอร์แต่ละตัวสอดคล้องกับตู้แบตเตอรี่เฉพาะ ช่วยให้สามารถจัดการต่อคลัสเตอร์เพื่อขจัดกระแสหมุนเวียนระหว่างกัน สายแบตเตอรี่ โมดูลพลังงาน AC/DC รองรับการใช้งานที่ยืดหยุ่นทั้งในด้านปริมาณและ อัตรากำลังไฟฟ้าที่มีความจุสูงสุด 60kW โมดูลในแบบขนาน 5 ยูนิต การกำหนดค่า เอาต์พุต AC จากโมดูลกำลังจะถูกส่งผ่านหม้อแปลง แยกเอาต์พุตสเตจจ่ายพลังงานให้กับโหลดที่มีความต้านทานสูง กระแสไฟช็อต ESS แบบไฮบริดใช้การบูรณาการเซลล์แสงอาทิตย์แบบ DC-ควบคู่ ซึ่งบรรลุผลสำเร็จในระดับสูง ประสิทธิภาพการแปลงพลังงานและปรับให้เหมาะสมสำหรับสถานการณ์นอกกริดด้วย PV กำลังการผลิตเกินความต้องการโหลด ตัวควบคุม MPPT ที่ได้รับการจัดอันดับภายนอกอาคาร รวมฟังก์ชัน Combiner และ MPPT ไว้ในกล่องเดียวที่มีความแข็ง ระบบที่สมบูรณ์ประกอบด้วยตัวเลือกเครื่องกำเนิดไฟฟ้าดีเซล ATS ซึ่งเป็นระบบไฮบริดขนาด 300 กิโลวัตต์ อินเวอร์เตอร์, ตัวควบคุม PV MPPT และระบบจัดเก็บพลังงานแบตเตอรี่
ข้อมูลจำเพาะ |
|||||
| โมเดล | P200TS-400-A | P250TS-400-A | P300TS-400-A | ||
|
พารามิเตอร์ด้าน DC |
ช่วงแรงดันไฟฟ้า | 650-950Vdc | |||
| สวิตช์อินพุตต่อโมดูล | 250A | ||||
| จำนวนช่องสัญญาณ DC | 3 ทาง | 4 ทาง | 5 ทาง | ||
|
พารามิเตอร์ด้าน AC (เชื่อมต่อกับกริด) |
กำลังขับที่ได้รับการจัดอันดับ | 200กิโลวัตต์ | 250กิโลวัตต์ | 300กิโลวัตต์ | |
| กำลังขับสูงสุด | 220กิโลวัตต์ | 275kW | 330กิโลวัตต์ | ||
| จัดอันดับกระแสไฟขาออก | 289เอ | 361เอ | 433เอ | ||
| ทีดี | <3% | ||||
| ประเภทกริด | 3W+N+พีอี | ||||
| ช่วงแรงดันไฟฟ้า | 360Vac~440Vac | ||||
| ช่วงความถี่ | 45~55เฮิร์ต/55~65เฮิร์ต | ||||
| ตัวประกอบกำลัง | -1~1 | ||||
|
เกาะ พารามิเตอร์ฝั่ง AC |
กำลังขับที่ได้รับการจัดอันดับ | 200กิโลวัตต์ | 250กิโลวัตต์ 300กิโลวัตต์ | ||
| จัดอันดับแรงดันไฟฟ้าขาออก | 400Vac | ||||
| จัดอันดับความถี่เอาท์พุต | 50/60เฮิร์ต | ||||
| THDu | <1% เชิงเส้น <5% ไม่เชิงเส้น <1% เชิงเส้น <5% ไม่เชิงเส้น | ||||
| ความจุเกินพิกัด | โอเวอร์โหลด 110% เป็นเวลา 10 นาที 110% เป็นเวลา 10 นาที | ||||
|
ตารางเกาะ การถ่ายโอนและสวิตช์เกียร์ |
สวิตช์บายพาสการบำรุงรักษา | 400A | 630A | ||
| สวิตช์กริด | 630A | 800A | |||
| โหลดสวิตช์ | 400A | 630A | |||
| หน่วยเอสทีเอส | 577A/400kW | 722A/500kW | |||
| เวลาเปลี่ยน | <20ms | ||||
|
พารามิเตอร์ของระบบ |
ประสิทธิภาพสูงสุด | 97.5% | |||
| อุณหภูมิในการทำงาน | -30~55°C-30~55°C (ลดระดับเหนือ 40°C) | ||||
| ความชื้นสัมพัทธ์ | 0~95%RH,0~95%RH,ไม่ควบแน่น | ||||
| ขนาด (ยาว * ลึก * สูง) | 1300×1050×2050มม | ||||
| น้ำหนัก | 1,400กก | 1700กก. 1800กก | |||
| เกรดไอพี | IP21 IP21(ครบชุด) | ||||
| เสียงรบกวน | <70dB | ||||
| หน้าจอแสดงผล | หน้าจอสัมผัส LCD | ||||
| การสื่อสารบีเอ็มเอส | สามารถ | ||||
| การสื่อสารแบบอีเอ็มเอส | ทีพีซี/ไอพี | ||||