English
Español
Português
русский
Français
日本語
Deutsch
tiếng Việt
Italiano
Nederlands
ภาษาไทย
Polski
한국어
Svenska
magyar
Malay
বাংলা ভাষার
Dansk
Suomi
हिन्दी
Pilipino
Türkçe
Gaeilge
العربية
Indonesia
Norsk
تمل
český
ελληνικά
український
Javanese
فارسی
தமிழ்
తెలుగు
नेपाली
Burmese
български
ລາວ
Latine
Қазақша
Euskal
Azərbaycan
Slovenský jazyk
Македонски
Lietuvos
Eesti Keel
Română
Slovenski
मराठी
Srpski језик
คุณลักษณะของผลิตภัณฑ์เช่น
1, การสร้าง DC และการจัดเก็บ DC มีประสิทธิภาพมากขึ้นและการสูญเสียลดลง ซึ่งเหมาะสำหรับ PV และพลังงานในการจัดเก็บจะยิ่งใหญ่กว่า
กว่าสถานการณ์โหลดไฟฟ้านอกกริด
2, การป้องกัน IP65, ตอบสนองการใช้งานกลางแจ้ง เอาต์พุตการบรรจบกันของ MPPT ที่อยู่ใกล้เคียงซึ่งช่วยป้องกันการเดินสาย
ความสับสนที่เกิดจากสายเคเบิลไฟฟ้าโซลาร์เซลล์ (PV) หลายเส้นถูกส่งผ่านระยะทางไกลไปยังระบบออลอินวัน
3, 200-900V ช่วงแรงดันไฟฟ้ากว้างของอินพุตไฟฟ้าโซลาร์เซลล์ รองรับการเข้าถึงโมดูลไฟฟ้าโซลาร์เซลล์กระแสสูงของอุตสาหกรรม
4 MPPT หลายช่องสัญญาณพบกับแผง PV หลายมุม
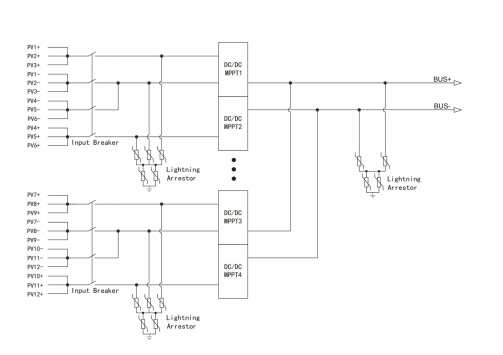
แผนภาพการเดินสายไฟ

ข้อมูลจำเพาะ
| โมเดล | MPPT-8 | MPPT-6 | MPPT-12 | |
| อินเทอร์เฟซด้าน PV พารามิเตอร์ |
แรงดันไฟฟ้าอาร์เรย์ PV สูงสุด | 900V | ||
| ช่วงแรงดันไฟฟ้า MPPT | 200V-900V | |||
| ช่วงแรงดันไฟฟ้า MPPT ที่ได้รับการจัดอันดับ | 560V-900V | |||
| กระแสสาขาสูงสุด | 24ก | 20เอ | ||
| หมายเลขสตริงอินพุต PV | 8 | 6 | 12 | |
| จำนวน MPPT | 8 | 2 | 4 | |
| ปัจจุบันต่อ MPPT | 20เอ | 55เอ | ||
| พารามิเตอร์เอาท์พุต | ช่วงแรงดันไฟฟ้า | 600-950V | ||
| แรงดันไฟฟ้าที่ได้รับการจัดอันดับ | ค่าเริ่มต้น 716.8V ปรับได้ | |||
| จัดอันดับกระแสไฟขาออก | 118เอ | 84ก | 168เอ | |
| กำลังขับที่ได้รับการจัดอันดับ | 84กิโลวัตต์ | 60กิโลวัตต์ | 120กิโลวัตต์ | |
| กระแสไฟขาออกสูงสุด | 192เอ | 120A | 240A | |
| พารามิเตอร์ของระบบ | EUe ความมีน้ำใจ | 99.4% | ||
| เกรดไอพี | IP65 | |||
| แนวคิดการระบายความร้อน | การพาความร้อนตามธรรมชาติ | การระบายความร้อนด้วยอากาศบังคับ | ||
| ขนาด (กว้าง * ลึก * สูง) | 550x530x280มม | 630×460×260มม | 630×460×260มม | |
| น้ำหนัก | 42กก | 25กก | 30กก | |
| อุณหภูมิในการทำงาน | -30~55℃ | |||
| โหมดแหล่งจ่ายไฟ | ขับเคลื่อนด้วยตนเอง (ไม่มีการจ่ายไฟในเวลากลางคืน) | |||
| อินเตอร์เฟซการสื่อสาร | อาร์เอส485 | |||
